FMT-Pro s.r.o.
fmt-pro@fmt-pro.cz
+420 466 734 141
Toggle navigation
Úvod
Produkty
Čerpadla
Kontroléry
Tlumiče pulsací
Kulové ventily
Náhradní díly
Příslušenství
Novinky
O nás
Kontakty
ALFA 103 PN10-40 ANSI 150-300-600
Home
Produkty
Kulové ventily
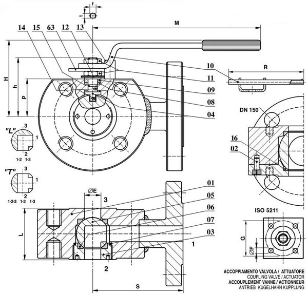
Třícestný ventil Alfa 103
ALFA 103 PN10-40 ANSI 150-300-600
Rozkres:
Rozměry: